McCrometer FlowCom FC-100 / FC-101
In order to capture the pulse output the serial number will need to be noted, preferably with a picture.
Selecting the Meter
There are several varieties of FC-100 McCrometer meters. It is critical to get the FC-100-01-K/-R or FC-100-11-K/-R because it is 1) does not require external power 2) has pulse output that can be read by wildeye. Only two part numbers meet these requirements (see diagram below)
If you already own meter that requires 4-20mA power, contact McCrometer for modification instructions.

Flow Meter Summary
![]() | |
Manufacturer | McCrometer |
Models | ![]() |
Type | Meter Head for McCrometer McPropellor and Water Specialities Inline propeller meter |
Pulse Interface | Available in selected models |
Programming | N/A |
Battery Life Claimed | 6 - 10 Years (01 and 05 versions only), all others require external power |
Support Contact | David Munoz. |
Straight Pipe Requirement | 10 d before and 5 d after |
Pipe Sizes Supported |
|
Technical Manual | |
Photographs

Site Assessment
Straight pipe installation requirement: 10 x diameter pipe upstream (before the meter) and 5 x diameter pipe
downstream (after the meter).
The meter may be installed in any position. For non-horizontal positions, the flow should be upwards.
Prior to installation of the meter, the pipeline should be thoroughly flushed.
Meter must be installed so that the pipe will be full of water at all times during metering.
Recommendation: Continuous Acting Air Vents of proper size and type be installed to eliminate air.
Pulse Output Connections
Meter Pulse Output Port
A Flowcom meter head has the following options for output:
Open Collector (Best for totalizing, recommended for Wildeye)
4-20mA (for feedback response to control systems)
Optically isolated pulse
Contact closure
All the interfaces are available through a wire exiting the Flowcom registers left-hand port as shown in this picture:

Electrical Connections

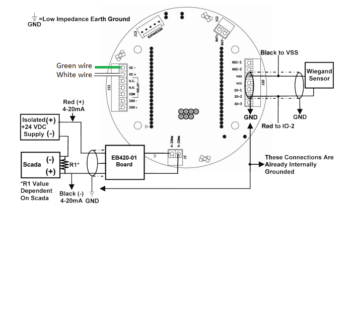
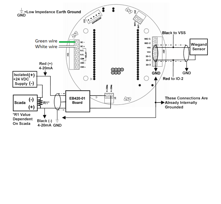
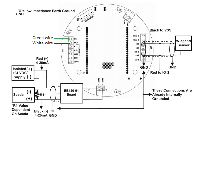
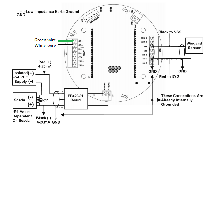
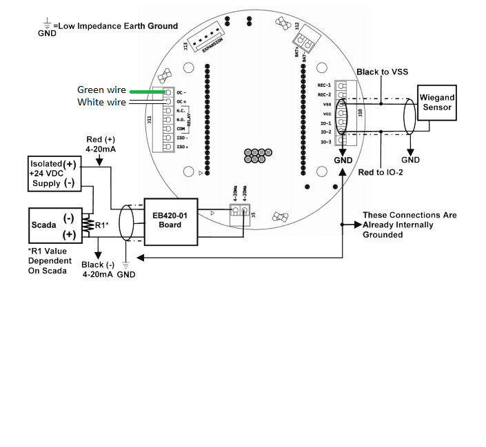
FC10x-01 (Open Collector)

McCrometer FlowCom FC-100 / FC-101
In order to capture the pulse output the serial number will need to be noted, preferably with a picture.
Selecting the Meter
There are several varieties of FC-100 McCrometer meters. It is critical to get the FC-100-01-K/-R or FC-100-11-K/-R because it is 1) does not require external power 2) has pulse output that can be read by wildeye. Only two part numbers meet these requirements (see diagram below)
If you already own meter that requires 4-20mA power, contact McCrometer for modification instructions.
Flow Meter Summary
![]() | |
Manufacturer | McCrometer |
Models | ![]() |
Type | Meter Head for McCrometer McPropellor and Water Specialities Inline propeller meter |
Pulse Interface | Available in selected models |
Programming | N/A |
Battery Life Claimed | 6 - 10 Years (01 and 05 versions only), all others require external power |
Support Contact | David Munoz. |
Straight Pipe Requirement | 10 d before and 5 d after |
Pipe Sizes Supported |
|
Technical Manual | |
Photographs
Site Assessment
Straight pipe installation requirement: 10 x diameter pipe upstream (before the meter) and 5 x diameter pipe
downstream (after the meter).
The meter may be installed in any position. For non-horizontal positions, the flow should be upwards.
Prior to installation of the meter, the pipeline should be thoroughly flushed.
Meter must be installed so that the pipe will be full of water at all times during metering.
Recommendation: Continuous Acting Air Vents of proper size and type be installed to eliminate air.
Pulse Output Connections
Meter Pulse Output Port
A Flowcom meter head has the following options for output:
Open Collector (Best for totalizing, recommended for Wildeye)
4-20mA (for feedback response to control systems)
Optically isolated pulse
Contact closure
All the interfaces are available through a wire exiting the Flowcom registers left-hand port as shown in this picture:

Electrical Connections
FC10x-01 (Open Collector)


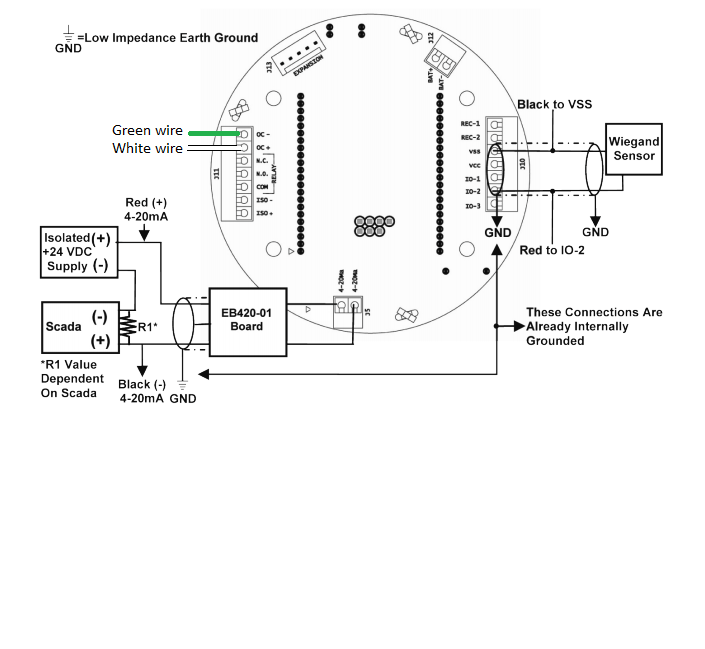
FC10x-02 (4-20mA and Optically Isolated Pulse)
Not assessed
FC10x-02 (4-20mA and Optically Isolated Pulse)
Not assessed
Pulse Interface Details
Standard Register (pulse output capable)
Pulse Output Type: Reed Switch
Pulse Width: N/A
Pulse Weights:

Photo Diode Register (voltage output)
Not assessed
Multi-Purpose Electronic (MPE) Register
Not assessed
Pulse Cable Options
There are <> options to connect the <> to the Wildeye:
a)
b)
Example Wildeye Plug types with "C" Channels:
MCCD Plug (C1 Channel)
Wildeye <> Cable
For
Refer to Wildeye plug types with "C" channels above.
<> Pulse Output Cable
Use OEM Parts for Pulse Connection
Series
Pulse Output Programming
Not Required -- pulse output rates are fixed according to the register type.

