Generic Submersible Depth Sensor [HIDDEN - too generic, vented]

The Wildeye Submersible Depth Sensor connects directly to your Wildeye to enable reporting of reservoir, lake and ditch levels directly to your desktop, tablet or smartphone (iPhone or Android app).
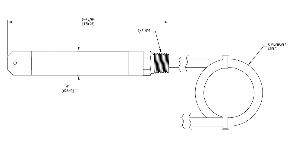
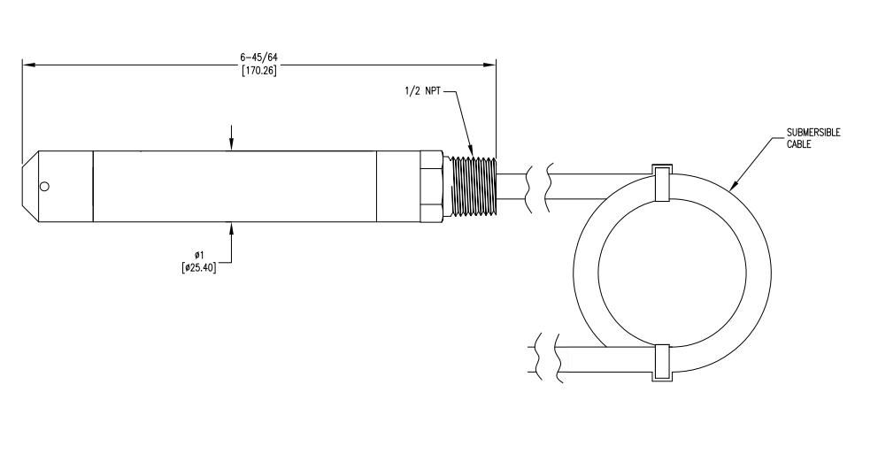
The sensor is a 1in (2.5cm) diameter stainless steel depth gauge designed to install near the bottom of a water body to measure the height of water above it.
The sensor is pre-packaged with a vent box for moisture protection and comes in a range of cable and depth ranges to suit your application.
The sensor comes with a polarized M12 connector to plug directly into your Wildeye.
Features
Meets application requirements with slim design with bullet nose design which protects the diaphragm from damage
Increased life with lightning and surge protection utilizing dual arrestor technology, grounded to case, eliminating both power supply surges and lightning ground strike transients (surge protection is not guaranteed and is not covered by warranty)
Eliminates particulate or water droplets from entering the transducer using maintenance-free filter
Flexible installation options with NPT connection to rigidly install in a pipe/conduit or use a hanging loop to attach a chain to remove from the installation
Submersible Depth Sensor Ordering Options
Part Code (Metric + Imperial) | Depth Range | Accuracy (out of box) | Cable Length |
ACC-SEN-LVL-STNDRD-V-D8F-C16F | 2.5m (8.2ft) | ±6.3mm (±0.25 in) | 5m (16.4ft) |
ACC-SEN-LVL-STNDRD-V-D5M-C10M | 5m | ±12.5mm | 10m (32.8 ft) |
ACC-SEN-LVL-STNDRD-V-D10M-C10M ACC-SEN-LVL-STNDRD-V-D32F-C30F | 10m (32.8 ft) | ±25mm (±1 in) | 10m (32.8 ft) |
ACC-SEN-LVL-STNDRD-V-D32F-C59F ACC-SEN-LVL-STNDRD-V-D10M-C18M | 10m (32.8 ft) | ±25mm (±1 in) | 18m (59ft) |
ACC-SEN-LVL-STNDRD-V-D34F-C120F | 10.5m (34.6 ft) | ±1.04 in | 36.5m (120ft) |
ACC-SEN-LVL-STNDRD-V-D70F-C80F | 21.7m (71.5 ft) | ±2.15 in | 24.4m (80ft) |
Submersible Depth Gauge Product Specifications
Parameter | Specification |
Service | Compatible Liquids |
Wetted Materials | Body: 316 SS, 316L SS; Bullet nose: PVC; Cable: Polyether polyurethane; Seals: Fluoro-elastomer. |
Accuracy | ±0.25% FS. |
Temperature Limit: | Polyurethane: 0 to 150°F (-18 to 66°C) |
Thermal Effect: | ±0.02% full scale/°F. |
Pressure Limit: | 2X FS |
Mounting Orientation: | Suspended in tank below level being measured. |
Electrical Protection: | Lightning and surge protection; |
Weight: | 2.2 lb (1.0 kg). |
Compliance: | CE |


